ads/auto.txt

Skema Antena G7 144 Mhz

Emang265 Bikin Antena Hustler

Emang265 Bikin Antena Hustler

Pemancar Fm Antenna Fm Vertical 5 8 Lambda

Pemancar Fm Antenna Fm Vertical 5 8 Lambda

Making First Loading Coils For G7 G9 2m Youtube

Making First Loading Coils For G7 G9 2m Youtube

March 22 2017 Paguyuban Ronda Purwakarta

March 22 2017 Paguyuban Ronda Purwakarta

Merakit Sendiri Antena Yagi 7 Element Freq 144 Mhz Penyimpanan

Merakit Sendiri Antena Yagi 7 Element Freq 144 Mhz Penyimpanan

Tiara Elektronik Modifikasi Antena V2r Hygain Telex 3 X 5 8 Lamda

Tiara Elektronik Modifikasi Antena V2r Hygain Telex 3 X 5 8 Lamda

Tiara Elektronik Modifikasi Antena V2r Hygain Telex 3 X 5 8 Lamda

Antena hustler panjangnya adalah 3 x 5 8 atau 3 x 0 625 x 2 kurang lebih 3 75 meter.

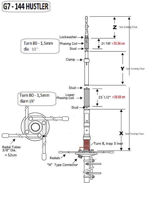
Skema antena g7 144 mhz. Atau lebih dikenal dengan radio balap. Kali ini kami akan mengajak anda untuk merakit bikin sendiri antena hustler yaitu tipe g7 144 mhz. Gunakan swr meter untuk membantu anda agar antenna matching pada frekwensi yang diinginkan ingat tabel ini belum tentu sesuai dengan frekwensi yang anda inginkan. Antena jenis ini telah beberapa kali menjadi jawara dalam beberapa perlombaan radio.

Extremely low angle stacked 5 8 wave radiators deliver superior gain. Director 137 f dalam mhz meter. Due to robust manufacture harsh environments do not affect their mechanical or signal integrity. Spacing 36 6 f dalam mhz meter.

The g7 144 utilizes a 5 8 wave lower 5 8 middle 5 8 upper collinear radiator which has been spaced for optimum low angle radiation. Lfa 11 el freq 144 300 mhz projeto g0ksc duration. Marcos py1mhz 27 453 views. Hustler base model g7 144 vertical antennas feature a 7 dbd maximum effective omni directional gain.

3 00 20 antena vertical. Antena hustler panjangnya adalah 3 x 5 8 atau 3 x 0 625 x 2 kurang lebih 3 75 meter. Elemen antena yagi di atas masih dapat ditambah lagi menjadi 4 elemen dengan menambahkan satu director akan tetapi panjang elemennya perlu diubah. Providing a consistent pattern even in marginal areas.

Driven elemen 144 f dalam mhz meter. Antena jenis ini telah beberapa kali menjadi jawara dalam beberapa perlombaan radio. Antena direcional yagi owa para vhf 146 000 mhz. Atau lebih dikenal dengan radio balap.

Homebrew g7 a for this type we not made again freq 144 148 made by order. The dimensions shown in the illustration 47 1 4 45 and 46 1 2 are for tuning the g7 144 to 146 5 mhz. Le migliori offerte per alinco dj g7 e 144 430 1200 mhz extra sono su ebay confronta prezzi e caratteristiche di prodotti nuovi e usati molti articoli con consegna gratis. Membuat antena sigma 4 tidak berbeda jauh dengan antena groundplane biasa dan tidak ada keistimewaan yang khusus selain membentuk polarisasi berbeda dari groundplane biasa yang menggunakan radial lurus horizontal.

Kali ini kami akan mengajak anda untuk merakit bikin sendiri antena hustler yaitu tipe g7 144 mhz.

Antena Hustler G7 Antena 144mhz

Antena Hustler G7 Antena 144mhz

Sudah Tersedia Antenna Hustler G6 G7 Dan G9 144 Mhz Lokal

Sudah Tersedia Antenna Hustler G6 G7 Dan G9 144 Mhz Lokal

Zoelradio Menurunkan Frekwensi Antena Diamond F23h

Zoelradio Menurunkan Frekwensi Antena Diamond F23h

2 X 5 8 Lamda Silahkan Coba Isurganteng Site S

2 X 5 8 Lamda Silahkan Coba Isurganteng Site S

Yd8dny

Yd8dny

Membuat Lilitan Antena G7 Youtube

Membuat Lilitan Antena G7 Youtube

This Is A Complete Plan Save It To Disk Ham Radio Antenna Ham

This Is A Complete Plan Save It To Disk Ham Radio Antenna Ham

Jual Interface Cor Repeater Ht Rpu 082333942111 Skema Rangkaian

Jual Interface Cor Repeater Ht Rpu 082333942111 Skema Rangkaian

Slim Jim 2m Antenna

Slim Jim 2m Antenna

Modifikasi Antenna Vhf Jz10qps Wordpress

Modifikasi Antenna Vhf Jz10qps Wordpress

Menghitung Panjang Teknik Elektronika Stt Nusa Putra

Menghitung Panjang Teknik Elektronika Stt Nusa Putra

Diskusi Antena Pemancar Page 67 Kaskus

Diskusi Antena Pemancar Page 67 Kaskus

Merakit Sendiri Antena F23 2x3 4 Lamda 5 8 Lamda Radio Ham

Merakit Sendiri Antena F23 2x3 4 Lamda 5 8 Lamda Radio Ham

Antena G6 Model Hustler 144 Mhz Di Lapak Rembg Rakom Bukalapak

Antena G6 Model Hustler 144 Mhz Di Lapak Rembg Rakom Bukalapak

Source : pinterest.com